Glens Machine Shop

The BECO 2.0
The latest on the engine design and construction


This is the latest info on the construction of the BECO 2.0 engine.

current picture of the BECO 2.0

Shown above is the latest picture of the assembled engine.
Just how big is this engine? Here is a picture of it in my hand.

Take a look at the PLANS (Now complete and in DXF format)


NEW! Video of engine at idle and high speed!
Click here for the video. (large file - 5 Meg) 15-Mar-07
Compare to the previous video 29-Sept-06

2-Feb-2009
I can see that I may be able to fly the engine soon, and have been considering its weight. I have now removed approx. 10 oz from it. I removed the rocker boxes. They are heavy and not really necessary. I can add a drop of oil to the rockers before each flight.
I also turned down the cylinders and cylinder heads. The diameter was reduced by .300". I also reduced the wall thickness of the outer cylinder housing. All this has given a new look to the engine.
There is more that I can do to reduce weight, but I have already set up the plane for a heavy engine and don't want to find myself adding weight to the front because my engine is now too light.
Click the picture for a close-up of the engine.
The engine after removing excess weight
24-Dec-2008
The new carb works GOOD!!

I ran the engine today and it runs really good. Idle is good, top speed is good, throttle response is good.
The idle is about 2200 RPM, top speed is 8200 RPM. I put a restricter in the bore of the new carb when having a fuel draw problem. It runs good enough with it that I am going to leave it. I discovered that the fuel tank needs to be pressurized, if not the top speed will drop off and die.
It looks like it's time to finish the plane and get this thing in the air.

The engine on display
5-Dec-2008
Well, I decided to build another carb. Right now I have more time than money so I decided to build the carb designed by Jerry Howell. This is a newer design than the one that I currently have.
Please note:The carb that I have been using is designed by Jerry Howell, It is not made by him. I think the carb would be a fine carb if built well.
I built it and I know all of the errors that went into it. I don't expect it to work well. I have built another carb designed by Mr. Howell.
While building this new carb, I was very carefull to take the time and effort to do everything as accurately as possible. I first scaled all of the measurements 25% larger. Then I carefully made each part. The only thing that gave me problems was the o-rings. I didn't want to scale them because I didn't know if they would still work. So when I got close to making the o-ring grooves, I found a suitable o-ring for purpose and did my best to make it work. This threw off some of the measurements for the butterfly, but I was able to get it all together quite well. The only thing I haven't done yet is put springs on the needle valves.
The new Howell Carburettor
21-Nov-2008

Today I made a new camshaft and put it in the engine. I checked the open,close and lift on the old cam and all were way off. The one that I made today is very good. All of the values are really close, the lift is the worst and it is only about 0.010 less on one exhaust valve.
I ran the engine and got very good results, a sustained 8500 RPM. That is with the carb that I built, and I know that it has problems. I am now satisfied with my quest for power. I don't feel the need to pursue it any farther (After the broken rod, I am just a little afraid of any more power.) What I need now is a good carb. I think I will break down and buy one.

I discovered that the timing and lift were off because of significant wear. I have been making my camshafts out of some kind of strange metal. I thought I was using drill rod, but today I tried to harden the last two that I made and they would not harden. I have been using them unhardened. The high speed runs and the high pressure on the valves causes the cam lobes to wear significantly. I think this is why I always had pretty good initial runs with a new cam. After a short time of running the lobes would wear and the timing and lift would all decrease. The engine performance would also decrease.
I hardened the new cam, and I hope that I can have longer use of it.
I have began to make written notes of all that I do to this engine. I also use a dial indicator to set the cam timing every time I install the cam, and check the open, close and lift of each valve. It is amazing to me how much a little slack in the pushrod will affect the timing and lift of a valve. I never thought that there was so much affect on the timing, and never worried too much about the wear. Live and learn :)

After a couple of years of trying to get more power from this engine, I think that my main problem was - the valve springs were not strong enough.

cam lobe wear
27-Oct-2008

Well it has been quite a while since the last update, but I do have some new information. I have had correspondence with Darin Morgan (full size engines), who has given me much information on cylinder head design, much of which I may incorporate into my engine. I have also had correspondence with David Bowes, who has been a great source of information on miniature engines. When I told Dave that I had blow-back through the carb at high speeds, he suggested that I install stronger springs on the valves, which I did. This stopped the blow-back. Then in my quest for more speed and power, the connecting rod for cylinder #2 (from the front) broke. The engine suddenly locked while running at a high speed. I was afraid of what I might see when I opened the crankcase, but the only damage was a broken rod. The crankshaft was slightly twisted, about 1 or 2 degrees, because of the sudden stop. I have no plans to fix the crankshaft. I think that it will be good enough for the purpose of this engine.

The rod broke at the place where it was cut for an offset.(shown by the arrow) The old rod had a square cut, and I knew, if I had given it some thought, that it would break at the notch. The new rod has a curve that eliminates the square cut and its high stress point.

I still have to find a carb that is a little bit larger than the one that I have. I think that the engine will run faster than ever, but I need a good carb.

The new rod shown with the broken rod
20-Oct-2008

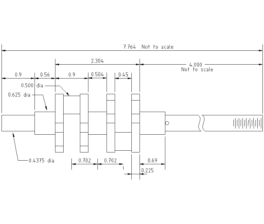
After much study and research, I have discovered why the crankshaft bearings were worn so badly. The journals on my crankshaft are too small. The small journals concentrate all of the pressure in a space that is too small to carry it. This keeps the oil squeezed out of the bearings and allows the bearings to rub the crankshaft.

I have designed a new crankshaft. It will not fit in this engine (it is only a drawing), but it shows the journal sizes that are required for an engine this size. Compare the 0.375 dia sizes of the old crank with the new 0.500 and 0.625 dia. sizes. Click the picture for a larger image. Maybe one day I will make an engine designed around this crankshaft.

While researching bearings and crankshaft design, I made the Bearing Calculator. This is a simple program that will quickly run a series of calculations and show you what the pressures are for your bearing. It was very handy in figuring the sizes of the new style crankshaft.

Drawing of the new crankshaft
15-Mar-07
I have replaced all of the crank and rod bearings. They were very worn. I don't know why, there was not that much time on them.
All of the new bearings were made very tight (small clearances). The engine was started and run with the same ASP carb that I have tried to use since the beginning. And it had the same problem, no hi end performance.
When I assembled the engine with the new cam, I carefully set the valve timing. After reading about making camshafts, I really think that I need to make one more. The lifts needs to be a little bit more, and the duration needs to be a little longer. I tried to allow for these problems in my design of the cam, but I didn't allow enough.
I have recently built a carb from Jerry Howell plans. I had tried it before replacing the bearings, and the performance was not so good. Today I tried it again, and the performance is quite good. The top end does not drop out like previous runs. I am able to get good consistent runs with a top speed in the mid 7000's. I was wanting to get into the 8000's, but I am afraid that my "low tec" engineering may not hold together. It is starting to look like I might be able to fly this thing soon.
I have a NEW VIDEO. This is a short run of the engine, showing idle, and high speed. (5 MEG) Note: Ignore the phone ringing.
I am still using glow power while the engine is running. I have not checked into different glow plugs, nor checked for performance without glow power. I do know that it will run without glow power, (at idle), but it doesn't run smooth. It sputters like it will stop.
Click here for a closeup of the Howell carb. It looks like a cube. There is a newer version of the carb available.
22-Sept-06
I have made the new camshaft and ran some tests today. I have also changed to a dual carb. system. I was hoping to see if I could isolate some of the problems.

The engine ran good, not excellent. I was able to measure the rpm's. I think that the engine ran more reliable today than ever before. It would run a constant speed at 7000 RPM. It has never done that before. There is still a lot of throttle left but If I try to go faster, the engine seems like it is going lean. This is the same problem that I have always had, only with the new cam it is much more evident.

No Picture
2-Sept-06
I Found more problems today.
I recently re-seated the valves because one was leaking. Today I ran the engine thinking that it would surely run much better. I was dissappointed. The last few times that I ran the engine, I could only get about 5000 RPM out of it. I don't know why it ran so good the one time (getting over 8000 RPM). Today I started checking everything. Then I found that the valve timing is wrong. I have always checked the valve open point when I install the camshaft, I never check the close point. Today I checked the close point and found that the valves, all four of them, are closing about 60 degrees (crankshaft degrees) early.
Looks like I will be making a new cam... AGAIN. The drawings are correct, the (rookie) machinist just doesn't know how to make parts.
27-Apr-06
Today I was able to run the engine with the new crankshaft. I ran it for a few minutes last week to loosen it up a little. Today I was able to get the speed up to slightly over 8000 RPM!! Still using an 18x6 Master Air Screw prop. This engine is going to be a real power house. I am still having a problem with fuel flow into the engine at high speeds. I am going to try to make a muffler with a pressure tap to pressurize the fuel.
Other changes: I drilled out (very slightly) the needle valve hole for more fuel flow. Apparently this has helped. I also made a new intake manifold, this one moves the carb down almost an inch an a half. this will make the engine more adaptable to a plane. The new crank seems to be doing fine. I made a new prop hub, much larger than the old one. I also made a new starter hub so that I can use a normal engine starter. This one screws on to the crank and a lock nut screws on after it. This helps to keep the prop from flying off.
Weight dry: 5 lbs, 14 oz.
20-Feb-06
The new crankshaft is nearly complete. I have to finish mill both sides and cut off the end. I am leaving the end until last as it has the center drill hole in it, just in case I need to mount it back in the lathe for something.The new crank has some small counterweights in it. I am hoping to get a smoother run from them.
20-Feb-06
Here is a pic of the crank after rough sizing on the mill. The mill made the work go much faster.
31-Dec-05
I have been trying to get the engine setup for more testing. I want to see if I can get the rpm's into the mid 8000's. I had taken the engine apart to check for wear and found the right side rod bearings were very loose. I had never checked to see if the piston was aligned with the crankshaft journal, and it was out about 0.050". Enough for the engine to be assembled, but to tight for normal operation. A new con-rod was constructed, and notched for a slight offset.
Upon re-assembly, the engine would not start. The prop kept slipping. I found that the pin in the crank had sheared, and really messed up the hole. So I have decided to make a new crankshaft. New and Improved! (check the drawings) This is a picture of the beginning cuts. The areas that you see have been milled down 1/8" on each side. This makes it 1/2" thick where the rod journals will be.
7-Mar-05
Well, The good Lord has given me a little time to play, and I have finally added the exhaust pipes, and completed the rocker boxes. After making the exhaust pipes, I just had to hear what it would sound like. So today I cranked it up. It does sound a little different, but it is still loud (No mufflers yet).
While the engine was running at idle, I put my finger about an inch from the end of the exhaust pipe, and was quite surprised. The exhaust gases are quite powerful. It felt like someone was slapping my finger. This seems like it would create a lot of back-pressure, but I don't know.
I wanted to check the RPM's, but my tach. had a dead battery. If there is excessive back-pressure there will be a loss of power.
In the pic. you can see the oil pressure gauge on the left. On the right side is an orange tube that connects to the crankcase. This is the tube that will connect to the rocker boxes and supply lubrication. There seems to be plenty of oil coming through it for the rockers.
Dave Bowes (of the EVIC engine) said that he had trouble keeping oil in the crankcase on his engines. This engine doesn't have that problem. There is an oil mist that comes out of the crankcase breather, and thats about all. I think that the large volume inside the crankcase of this engine makes a big difference.
16-Aug-03
Wooo Hooo...!! I got a good run today. The engine does run. I assembled it, added an oil pressure tap so I could keep an eye on the pressure, filled it with 100 ml. of 10W40 motor oil and cranked it up. I had a shorted glow plug that gave me some problems, but soon got that sorted out. I was not able to get the carb. adjusted for an optimum run, but I was able to get it up to a little over 7000 RPM with a 18x6 Master Air Screw prop. I was checking the RCM Engine reviews and found that a Saito FA-200Ti, 2 cyl. 2 Cu. In. engine will turn an 18x6 prop at 7700 RPM. I think that I can match that, maybe better if I can get the carb adjusted.
The oil pressure at max is about 65 psi. When warmed up and at idle it is 20 psi. I am using glow fuel now to work out all of the problems before I convert to gasoline. I am not sure what kind of problems I will encounter when trying to make a glow carb. work with gasoline.
Everything is looking real good at this point. The new cam looks like it will be OK.

Click the picture for more info.

This page has been getting larger, and larger, so I have cut it into 2 pieces.

If you want to see more then click here.

16438 hits since February 23, 2016

Home