logo

Model Engine Plans

This is a listing of the plans that I made for building the 2 cylinder 4 stroke horizontal opposed model engine. It has 1.85 ci displacement.

The plans were drawn on a Linux system using Xfig. I have the plans available in FIG format or in GIF format. Each plan is formatted to print on a single sheet of 8.5 x 11 paper. The FIG format should print out full size, I am not sure about the GIF format.

Please be aware that these plans are not complete and were drawn for my use. They assume a good knowledge of how the engine is built and designed. Feel free to use them and if you have any questions send me Email

FIG Format Plans
Crankshaft
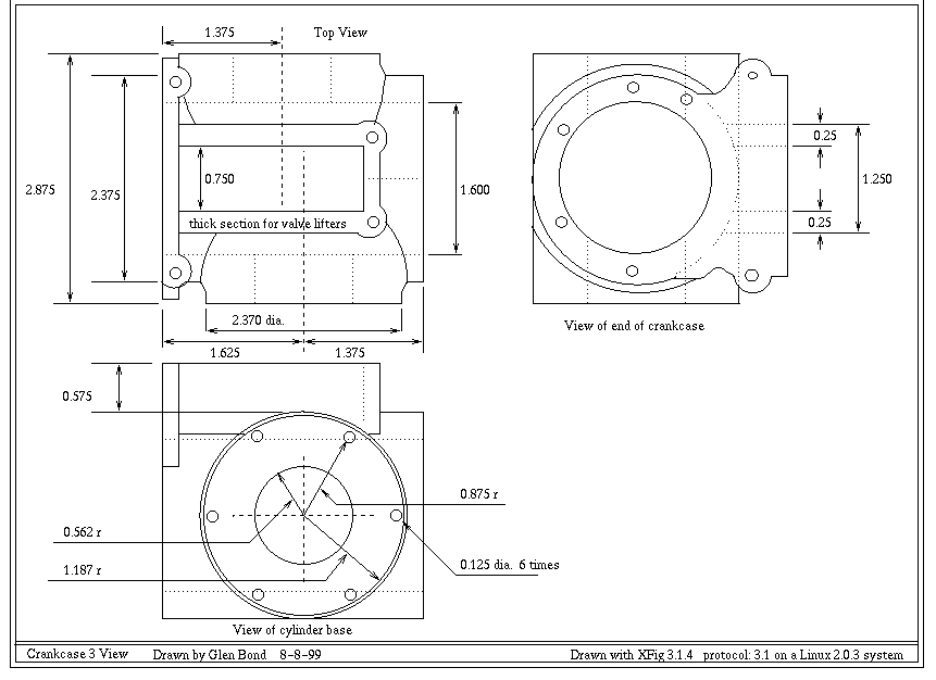
Crankcase
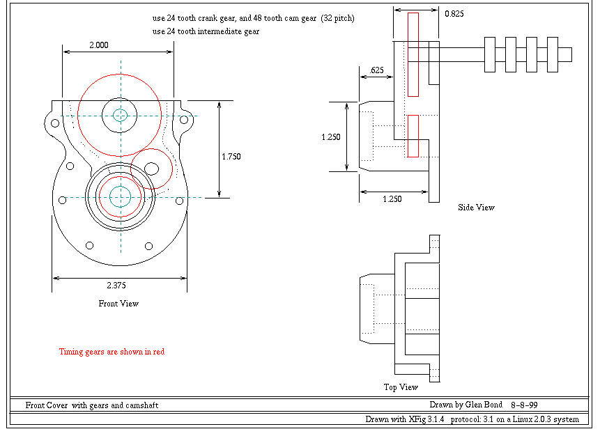
Front Cover
Camshaft (3 sheets)
Camshaft Cover
Cylinder
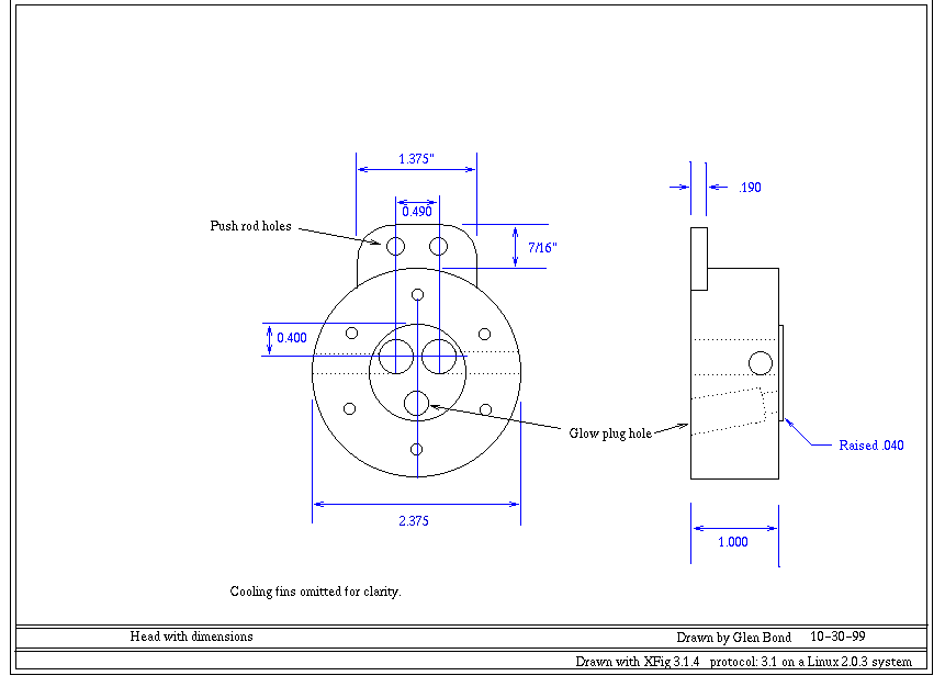
Cylinder Head
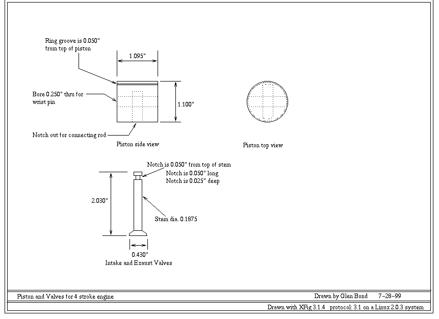
Piston & Valve
------------
GIF Format Plans
Crankshaft
Crankcase
Front Cover
Camshaft (3 sheets)
Camshaft Cover
Cylinder
Cylinder Head
Piston & Valve

Return to Home